SUPPORT EcProjects ¤¤¤¤3V to V (VDDVSS = 3V to V) to Switch Analog Signals to VPP (VDDVEE = V) • Matched Switch Characteristics, rON = 5Ω (Typ) for VDDVEE = 15V • Very Low Quiescent Power Dissipation Under All DigitalControl Input and Supply Conditions, 02µW (Typ) at VDDVSS = VDDVEE = 10V • Binary Address Decoding on Chip • 5V, 10V and 15VThe CD4053 is an analog multiplexers/demultiplexers are digitally controlled analog switches having low "ON" impedance and very low "OFF" leakage currents Control of analog signals up to 15Vpp can be achieved by digital signal amplitudes of 3−15V The IC is always available in a 16pin hermetically sealed dual in line package
A Few Of Our Favorite Chips 4051 Analog Mux Hackaday
Cd4053 audio switch
Cd4053 audio switch-Aug 07, 17I am going to give you a detailed Introduction to CD4051 today CD 4051 is an analog multiplexer and demultiplexer It has very low OFF leakage current and low ON impedance Over full voltage ranges, very low power is dissipated by CD4051CD4051 is an eight (8) channel multiplexer and has three control input named as A, B and CJan 03, 17If you want to use it to change your audio source, you should use the CD4066 before the amp and switch the input signal (which is low current) \$\endgroup\$ – dim Jan 3 '17 at 1337 1 \$\begingroup\$ You might be able to control headphone signals and you can certainly control line level audio signals, but definitely not speaker signals



Electro Music Com View Topic Drone Synth
Cd4053 4053 cmos multiplex/demultiplexer ic JavaScript seems to be disabled in your browser For the best experience on our site, be sure to turn on Javascript in your browserJul 16, 15The 4053 can replace the 4051 ( data sheet ) To do that the three output pins on 4053 should be tied together (pin 4, 14 and 15, see logic diagram) The device allows adding eight analog pins at the cost of three digital pins and one analog pin The device will multiplex the eight new analog pins onto the arduino analog pin100% Tested for Quiescent Current at V;
4066 Quad Bilateral Switch Circuit The quad bilateral switch circuit we will build with a 4066 chip is shown below First, to power the 4066, we connect 5V of power to V DD, pin 14, and we connect the ground pin, pin 7, to ground This establishes sufficient power to the chip For this circuit, we are only going to be using 2 of the 4 switchesMAX4051/A, MAX4052/A, MAX4053/A LowVoltage, CMOS Analog Multiplexers/Switches 4 _____ Note 2 The algebraic convention is used in this data sheet;May 17, The 74HC405x series chips trade off this wide voltage range for lower onresistance and higher switching speed passing tenvolt signals with something like 50
A stereo A/B switch using one chip and a few parts Note that all values are not critical but typical They can vary greatly with little effect on performance Just impedance and audio levels With this circuit you could eliminate the 10k input resistors They were originally put there to create an input match If you have an extra output pin from the PIC and want the option of turning bothSingle 8Channel Analog Multiplexer/Demultiplexer Dual 4Channel Analog Multiplexer/Demultiplexer Triple 2Channel Analog Multiplexer/Demultiplexe, CD4053 DatasheetAll three devices feature low ON impedance and very low OFF leakage current Control of analog signals up to the complete supply voltage range can be achieved Analog Voltage Range (V DD V EE) = 30 to 18 V Note V EE must be <= V SS For Lower R ON, Use the HC4051, HC4052, or HC4053 HighSpeed CMOS Devices



A 100 Do It Yourself Page



Cd4053 Switch Logic Gate
Electronic Manufacturer Part no Datasheet Electronics Description Shenzhen Huazhimei Semi CD4053 4Kb / 6P 3 out of 2 bidirectional analog switch Fairchild SemiconductorThe working principle of this quad bilateral switch is very easy The CD4066 IC consists of four switches It can switch analog signals through digital control An analog signal is applied at the input of the switch If a HIGH or 1 value is fed into the control input, the analog signal will be passed from input to the output of a switchDatasheets for Texas Instruments CD4053 Multiplexer Switch ICs



Cd4053b Data Sheet Product Information And Support Ti Com



Cd4051 Cd4051 Smd Cd4052 Cd4052 Smd Cd4053 Cd4053 Smd Pdf Free Download
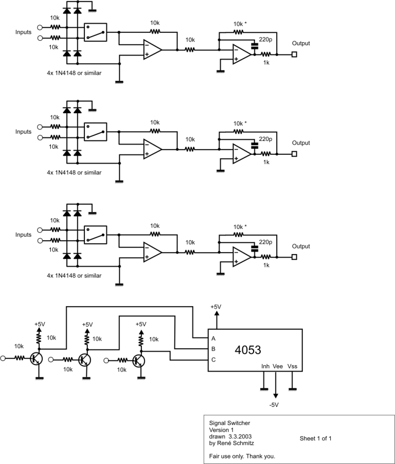
The most negative value is shown in the minimum column Note 3 ∆RON = RON(MAX) RON(MIN) Note 4 Flatness is defined as the difference between the maximum and minimum value of onresistance as measured over theMay 14, Diode Clamp Protection for CD4053B After accidentally burning down a couple CD4053B chips, I realized my need for at least a resistor on all the I/O pins That's because there is the possibility the I/O could be connected to 12V when the CD4053B isn't powered, thereby passing current through the onchip clamping diodesThe basis for the switch is the CD4053 analog multiplexer IC This is a CMOS logic chip that contains three SPDT CMOS analog switches and the attending control logic to make them work People who have tried these before have often complained that they pop or distort, and have then moved on and forgotten them



Switch Analog Audio Signals



Cd4053 Triple 2 Channel Multiplexer Demultiplexer Datasheet
The CD4051 analog multiplexers demultiplexers are digitally controlled analog switches having low "ON" impedance and very low "OFF" leakage currents Control of analog signals up to 15Vpp can be achieved by digital signal amplitudes of 3−15V For example, if VDD = 5V, VSS = 0V and VEE = −5V, analog signals from −5V to 5V can beJul 23, 19eetech00 Try creating make before break (MBB) contact sets by using two separate relays and coding the relay drive so that each relay energizes before the other deenergizes Ground the audio input with a high value resistor then use a MBB contact set to switch the audio output signal to the input3575 sheppard avenue east scarborough, on m1t 3k8



Cd4053 Cmos Analog Mux Komi Workshop Diy



Help Needed Audio Switching Ways
Guaranteed Match Between Channels 6Ω (MAX4051A—MAX4053A) 12Ω (MAX4051—MAX4053)Standard devices the CD4016, CD4066, CD4051, CD4052, CD4053 The first two devices are quad bilateral switches that can pass audio or digital either The 4016 can fade audio because there are no gates or buffers on the control pin 4066 has a buffered gate and will hard switch The 4051, 4052, 4053 are muxMuxes Description The CD4066B device is a quad bilateral switch intended for the transmission or multiplexing of analog or digital



Audio Video Switcher Under Switching Circuits Next Gr



Design Of Av Power Amplifier Audio Control System Based On Picl6c56 Microcontroller And Pt2258 Chip Jotrin Electronics
Page 69 MANUAL Model 848A Matrix Intercom Station 5 Mic l/Mic 2 Adjustment Electronic Mic SWITCH 1 controls the microphone output to the pointtopoint electronics Electronic Mic SWITCH 2 controls the microphone output to electronics These switches have been factory set to require a signal from the front panel Mic ON switch to operateSep 17, Because of the switch resistance the CD4053 is not likely the correct choice for your circuit but might be successful by adding an extra PNP transistor to bypass the 2 Ohm resistor when in transmit mode I have included as an example one pole connected directly to your transceiver with 2 of the other poles having the CD4053 pin numbers placedAB 60 Driver's Licenses AB 60 driver's licenses are for individuals who are unable to provide proof of legal presence in the United States (US), but who meet California DMV requirements and are able to provide proof of identity and California residency Learn more about AB 60 driver's licenses



A 100 Do It Yourself Page



Results Page 477 About Agc S Mete Searching Circuits At Next Gr
Feb 14, 06The CD4053 and the 74HC4053 should both work in this circuit, newer types like the 74LV4053 don't work with negative Vee any more If you are stuck with / 5 on the opamp you really need a type that works with inputs near ve supplyAll trademarks are the property of their respective owners openinnew Find other Analog switches &CD4053 is a triple 2channel multiplexer having three separate digital control inputs, A, B, and C, and an inhibit input Each control input selects one of a pair of channels which are connected in a singlepole doublethrow configuration Features Wide range of digital and analog signal levels digital 3 – 15V, analog to 15Vpp



Two Ic Circuit Combines Digital And Analog Signals To Make Multiplier Circuit Edn



Silent Switching With 4066 4053 Cmos Switches
May 01, 19Alternatives Multiplexers 74HC4067, 74HC157, CD4016 CD4052 Equivalents NTE4052, 4017 Where to use CD4052 IC The IC CD4052 is a CMOS based high voltage Multiplexer and Demultiplexer IC The IC is commonly used in circuit where a 41 MUX or a 14 DEMUX is required in a Programmable Logic circuit DesignA, B, and C, and an inhibit input Each control input selects one of a pair of channels which are connected in a single pole, double throw configuration It is a digitally controlled analog switch having low ON impedance and very low OFF leakage currentThe Model 708 is a standalone stereo generator intended for use with an external FM audio processing system The composite multiplex signal, including the stereo pilot, is generated with digital synthesis techniques to assure optimum stereo separation without need



Cd4053b Data Sheet Product Information And Support Ti Com



Epanorama Net Links
CD4053 Datasheet (PDF) Fairchild Semiconductor If the datasheet does not displayed, please, download the Adobe Reader or click to view in HTML datasheetCD4070 CD4070BE 4070 Quad EXCLUSIVEOR Gate IC SKU $021 In stock Qty Available 271 Qty Add to Cart Add to Wishlist Be the first to review this productICs There are a number of ICs that can do analog audio signal switching The most popular are the 4016, 4053, and 4066 which are part the digital logic family but are actually analog They have excellent characteristics for audio signal switch Good enough for our switching needs



Cd4053b Data Sheet Product Information And Support Ti Com



Using An Op Amp As A Switch For Audio Dual Supply 12v Electrical Engineering Stack Exchange
CD4016BC Quad Bilateral Switch CD4016BC Quad Bilateral Switch General Description The CD4016BC is a quad bilateral switch intended for the transmission or multiplexing of analog or digital signals It is pinforpin compatible with CD4066BC Features Wide supply voltage range 3V to 15V Wide range of digital and analog switching ±75 VPEAKThe CD4053 analog multiplexer IC This is a CMOS logic chip that contains three SPDT CMOS analog switches and the attending control logic to make them work People who have tried these before have often complained that they pop or distort, and have then moved on and forgotten them There are some tricks to using this chipAudio Signal Routing LowVoltage DataAcquisition Systems Communications Circuits Features ♦ OnResistance 07Ω (3V Supply) 16Ω (18V Supply) ♦ OnResistance Match Between Channels 03Ω (3V Supply) ♦ OnResistance Flatness 01Ω (3V Supply) ♦ SingleSupply Operation Down to 16V ♦ HighCurrent Handling Capacity (150mA Continuous)



Reducing The Number Of Expensive Capacitors In An Audio Opamp Circuit Electrical Engineering Stack Exchange



Audio Switch Notes
Oct 08, 13 audio source analog switch This design involves four audio sources, VCD / DVD is 6channel, the rest are 2channel Selecting 3 CD4053 as audio source analog switch can save MCU control I / O ports to 3 CD4053 is a three two channel control analog switch It has three independent control inputs and enable terminalsAnalog switch converts 555 timer into pulsewidth Modulator 15Feb07 EDNDesign Ideas Added CMOS switch enhances a PWM oscillator __ Circuit Design by Jordan Dimitrov, Tradeport Electronics, Vaughan, ON, Canada Analog Switch Cuts PeakDetector Reset Time 05/25/95 EDNDesign Ideas The schematic in Fig 1 is a basic configuration for a unitygain peak detector usingCD4051 Single 8channel Multiplexer Demultiplexer – Datasheet The CD4051 is a part of CD4000 IC series, made by using the complementary MOS (CMOS) technology CD4051 is a single 8channel multiplexer having three binary control inputs A, B, and C, and an inhibit input The three binary signals select 1 of 8 channels to be turned "ON



Question Cd4053 Input Voltage



Hardware Mods The Ugly Story Page 5 Audio Science Review Asr Forum
Sep 01, 17So you can see the Vdd of CD4052 is 5V and the delay time is 30~60 nS, if you want to get higher frequency then you can use 74HC4052 74HC4052 page 6, VCC = 45 V, 167~139 ns/V If you insist to use cd4052 then you can increasing Vcc to get the frequency more higher shown in #3 as 10V or 15V and add a voltage divider as 1/2 for 10V or 1/3Texas Instruments CD4053 Multiplexer Switch ICs are available at Mouser Electronics Mouser offers inventory, pricing, &Jul 21, 11The switching is done by a basic CD 4052 multiplexer Now every piece of the circuit works fine alone and when connected with other pieces (ie digit pot to amp, mux to amp) The only problem is when connecting the DS1802 and CD4052 There is alot of noise especially as you increase volume Not just the volume of the noise but the amount of it too



Gt5opb6qajbpfm



Cmos Switching Parasit Studio
5V, 10V, and 15V Parametric Ratings;*CD4051B Only †CD4052B, CD4053 Only Features • Logic Level Conversion • HighVoltage Types (V Rating) • CD4051BMS Signal 8Channel • CD4052BMS Differential 4Channel • CD4053BMS Triple 2Channel • Wide Range of Digital and Analog Signal Levels Digital 3V to V Analog to Vpp • Low ON Resistance 125Ω (typ) Over 15VppCD4053 is a triple 2 Channel multiplexer with three separate digital control inputs That is;



Cd4053 Triple 2 Channel Analog Multiplexer Demultiplexer Ic Sparkpcb Com



Reducing The Number Of Expensive Capacitors In An Audio Opamp Circuit Electrical Engineering Stack Exchange
Pin Compatible with IndustryStandard 74HC4051/74HC4052/74HC4053;LogicLevel Conversion for Digital Addressing Signals of 3 V to V (V DD – V SS = 3 V to V) to Switch Analog Signals to V PP (V DD – V EE = V) Matched Switch Characteristics, r ON = 5 Ω (Typical) for V DD – V EE = 15 V Very Low Quiescent Power Dissipation Under All DigitalControl Input and Supply Conditions, 02 µW (Typical) at16Lead Small Outline Integrated Circuit (SOIC), JEDEC MS012, 0150 Narrow



Cd4053 Cmos Triple 2 Channel Analog Multiplexer Lot Of 5 Pcs Semiconductors Actives Sunbay Integrated Circuits Ics



Sm 5 Bsz I Q Mixer For Direct Conversion Radio
Switch On = 40 MHz Typical;Nov 11, 14The voltage that 4066 can switch is limited by its supply rails If the switched signal extends outside of the supply rails, the 4066 will clip it A relay can switch considerably higher voltages A mechanical relay would introduce practically no noise into the signal that it's switching The 4066 will introduce a small amount of noiseCD4066BC Quad Bilateral Switch CD4066BC Quad Bilateral Switch General Description The CD4066BC is a quad bilateral switch intended for the transmission or multiplexing of analog or digital signals It is pinforpin compatible with CD4016BC, but has a much lower "ON" resistance, and "ON" resistance is relatively constant over the input



Activity The Cmos Analog Switch Analog Devices Wiki



Activity The Switched Capacitor Analog Devices Wiki
In this video we take a look at the CD4051 Analog Switch IC ¤¤¤¤By using my Amazon affiliate links (No extra cost for you!) A



Cd4053 Triple 2 Channel Multiplexer Demultiplexer Datasheet



A Few Of Our Favorite Chips 4051 Analog Mux Hackaday



Results Page 461 About Emp Generator Circuit Searching Circuits At Next Gr



Electro Music Com View Topic Drone Synth



Cd4053 Issues Pops Crackles Transition Delay



A Few Of Our Favorite Chips 4051 Analog Mux Hackaday



The Tone God Wicked Switches



Using An Op Amp As A Switch For Audio Dual Supply 12v Electrical Engineering Stack Exchange



Principle Of Operation Of Ic 4053 Youtube



Sample And Hold With Standby Cd4053 Electronic Circuits Schematic Diagrams



Bypassing And Switching With The Cd4053 Cmos Analog Mux



Cd4053 Switch Logic Gate



Audio Switch Notes



Audio Switch Notes



Need Help For A Mute Switch Diy Stuff Look Mum No Computer Thingies



The Tone God Wicked Switches



74hc4053 Youtube



Bypassing And Switching With The Cd4053 Cmos Analog Mux



Audio Switch Notes



The Tone God Wicked Switches



Electro Music Com View Topic Drone Synth



Multi Vol Pedal Selectable Fixed And Variable Volume Settings



Mcb Datasheet Triple 2 Channel Analog Multiplexer Demultiplexer Mux Demux



Audio Switch Notes



How To Do Low Voltage Analog Switching General Electronics Arduino Forum



Audio Video Switcher Control Circuit Circuit Diagram Seekic Com



A Few Of Our Favorite Chips 4051 Analog Mux Hackaday



4053 Ic Pinout Diagram Integrated Circuits Elektropage Com



Epanorama Net Links



Two Channel Audio Video Switcher Circuit Diagram Electronic Circuit Diagrams Schematics



Audio Switch Notes



Ee16a Touchscreen Lab3



Line Level Audio And Muxing Electrical Engineering Stack Exchange



Bypassing And Switching With The Cd4053 Cmos Analog Mux



Using An Op Amp As A Switch For Audio Dual Supply 12v Electrical Engineering Stack Exchange



Switch Audio Electronique Automatique Avec Priorite Forums De Abcelectronique



Using An Op Amp As A Switch For Audio Dual Supply 12v Electrical Engineering Stack Exchange



The Tone God Wicked Switches



Question Cd4053 Input Voltage



4053 Switching Problem Pops



A 100 Do It Yourself Page



Silent Switching With 4066 4053 Cmos Switches



Design Of Av Power Amplifier Audio Control System Based On Picl6c56 Microcontroller And Pt2258 Chip Jotrin Electronics



Cmos Logic Ic Mux 4053 Dip16 Partco



4047 4066 Audio Slicer Help Electronics Forums



5 X Cd4053 Dip16 Cmos Tripple 2 Channel Analogue Multiplexer Demultiplexers All Top Notch



Nx3l4053 Nxp Semiconductors



Design Of Av Power Amplifier Audio Control System Based On Picl6c56 Microcontroller And Pt2258 Chip Jotrin Electronics



Cd 4053 Hcf 4053be Three 1 Out Of 2 Switches



The Design Of Av5 1 Audio Control System Is Realized By Using Picl6c56 Microcontroller And Channel Control Ic Electronic Paper



Two Ic Circuit Combines Digital And Analog Signals To Make Multiplier Circuit Cd4053 Dg419



Square Wave From Sine Follow Envelope



Stereo Audio Switch Circuit



Electro Music Com View Topic 4053 Hex Spdt Switch



4047 4066 Audio Slicer Help Electronics Forums



Electro Music Com View Topic 4053 Hex Spdt Switch



Tina Spice Cd4053b Cd4053b Spice Model Switches Multiplexers Forum Switches Multiplexers Ti E2e Support Forums



Audio Switch Notes



Hard Vs Soft Switching With Cmos Bioroids Stompbox Electronics



Bypassing And Switching With The Cd4053 Cmos Analog Mux



Jondent Exploring Electronic Music Multiplexing And Synths



Cd4053 Triple 2 Channel Multiplexer Demultiplexer Datasheet



Cd4053be Texas Instruments Multiplexer Ic Dil 16 Cd4053 Distrelec Sweden



Multi Vol Pedal Selectable Fixed And Variable Volume Settings



Synth Schematics Signal Switch



Cd 4053 Youtube



Design Of Av Power Amplifier Audio Control System Based On Picl6c56 Microcontroller And Pt2258 Chip Jotrin Electronics



Switch Analog Audio Signals



Electro Music Com View Topic Drone Synth

